Isorankinen 1797


Julkisivu
Arkkitehtipiirustukset

> ARK 1 Suunnitteluperusteet
> ARK 2 Asemapiirustus
> ARK 3 Julkisivut Pohjoiseen ja Etelaan
> ARK 4 Julkisivut Lanteen ja Itaan
> ARK 5 Pohjapiirustukset (alakerta ja ylakerta)
> ARK 6 Rakenneleikkaus
> ARK 7 Perustus ja hormileikkaus

Perustusleikkaus
Perustuspiirustukset

> RAK 11 Perustus
> RAK 12 Perustusleikkaukset

Runkoleikkaus
Rakennepiirustukset

> RAK 1 Yla-aulan runkoleikkaus
> RAK 2 Yla-aulan pohjarakenne
> RAK 3 Yla-aulan sivukuvanto
> RAK 4 Saksiristikko
> RAK 5 Keharitikko
> RAK 6 Hirsikehikko pohja
> RAK 7 Hirsikehikko leikkaukset
> RAK 8 Ylakamarin runkoleikkaus
> RAK 9 Ylakamarin pohjarakenne
> RAK 10 Ylakamarin sivukuvanto

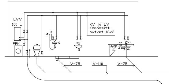
Linjakaavio
LVI-piirustukset

> LVI 1 LVI asemapiirros
> LVI 2 Linjakaavio
> LVI 3 Vesi- ja viemarilaitteet
> Imeytyskentan asennus
> Kellarin mittarin ja jakotukin asennus

Laskelma
Mitoituslaskelmat

> Sokkelin routaeristyslaskenta
> Valipohjan varahtelytarkastelu
> Alapohjan U-arvolaskelma (rakennus)
> Alapohjan U-arvolaskelma (kostea tila)

Sahkokuva
Sahkopiirustukset

> SA1 Ryhmakeskus
> SA2 Alakerran lämmitys
> SA3 Alakerran valaistus
> SA4 Keittiö
> SA5 Sauna ja pesuhuone
> SA6 Ylakerran valaistus
> SA7 Ylakerran pistorasiat
> SA8 Antennikaapelointi

Keittio
Keittiosuunnitelma

> Keittiosuunnitelma